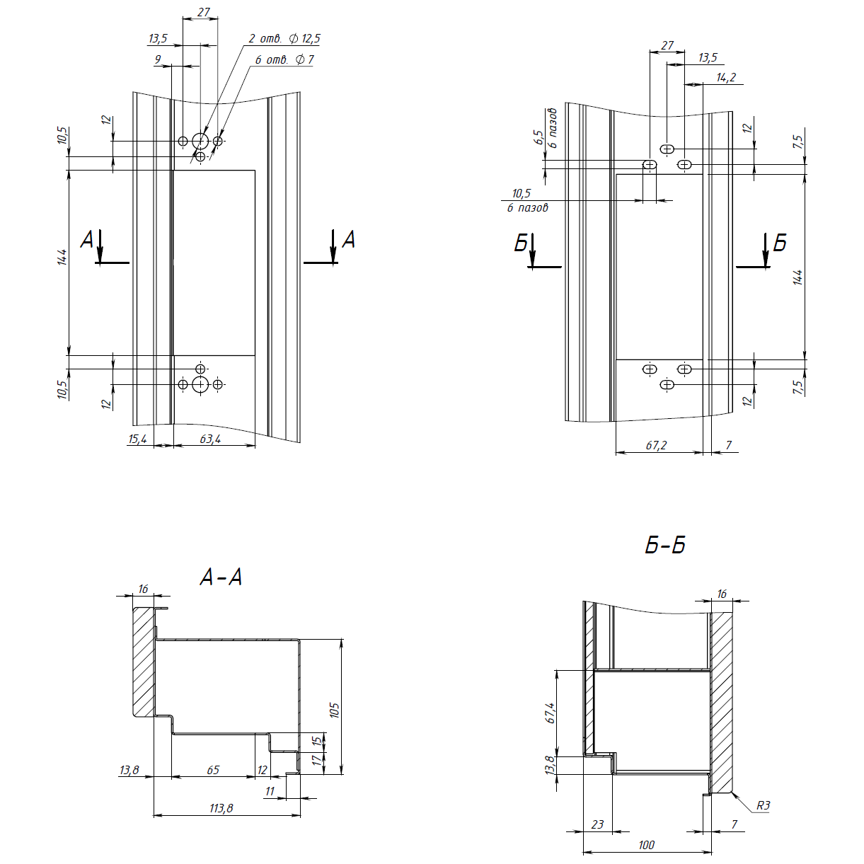
Скрытая петля для стальных входных дверей Phantom уникальна в своем сегменте и имеет ряд преимуществ относительно аналогов, таких как «Cipierre» и «SIMONSWERK», в том, что она может использоваться в дверях с непрерывным наружным контуром утепления, с лицевой панелью и обналичником толщиной до 16 мм, без подреза кромки обналичника. Данное сочетание позволяет изготавливать двери самых различных дизайнов, не нарушая эстетическую составляющую.
Характеристики:
• Нагрузочная способность одной петли (при использовании 2-х петель на двери) – 50 кг.
• Угол открывания – 190 градусов.
• Материал – высоколигированная сталь.
• Покрытие – цинк или порошковое покрытие по цвету RAL.
Преимущества:
• Простая регулировка положения дверного полотна в трех плоскостях.
• Настраиваемое распределение нагрузки на петли.
• Использование наружного контура утепления без его прерывания в местах установки петли.
• Применение в дверях с декоративными лицевыми панелями и обналичниками со стороны открывания – до 16 мм.
• Обкатка кромки лицевой декоративной панели и обналичника – от 2 мм.
