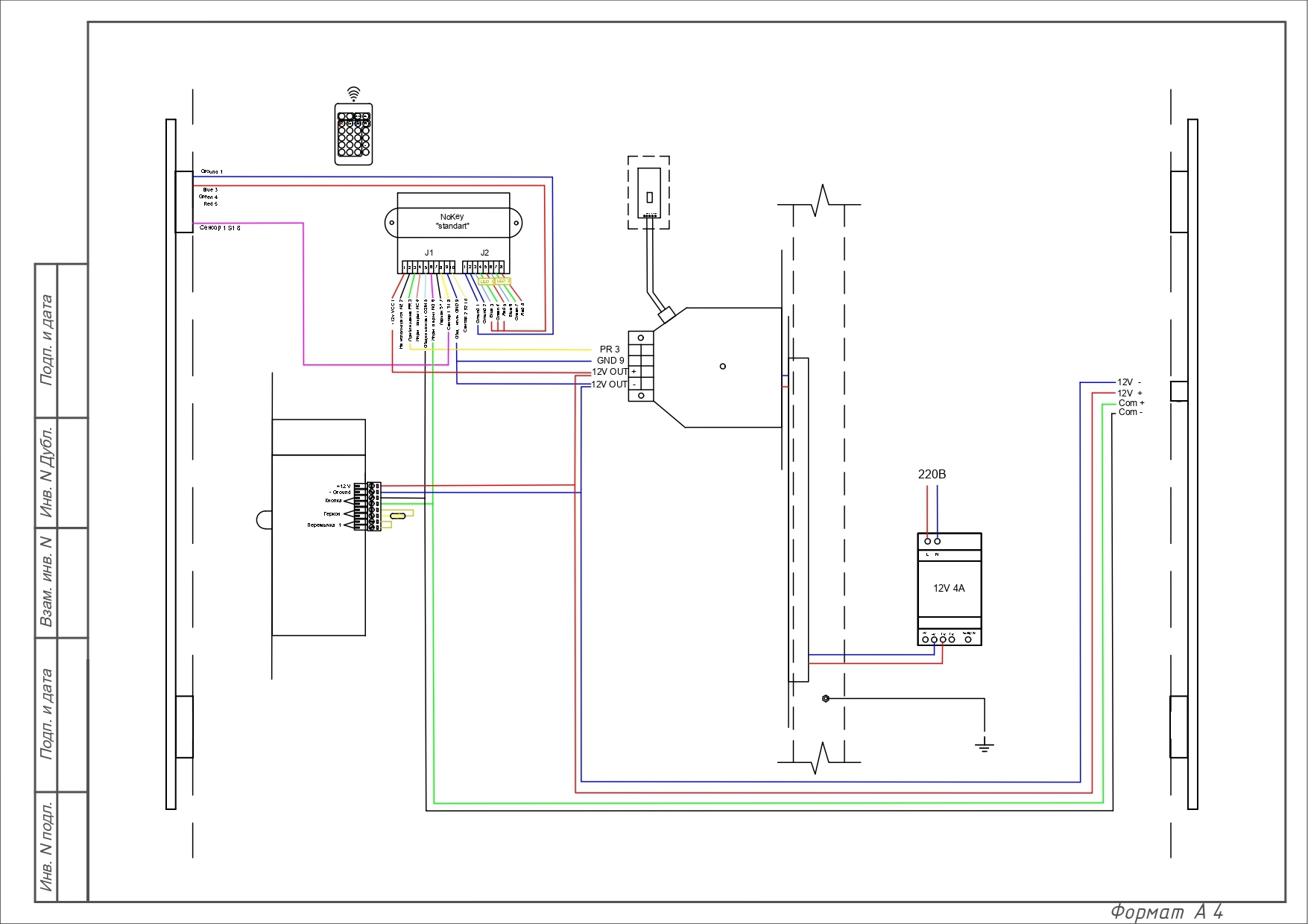
Назначение и основные сведения
Система бесключевого доступа NoKey предназначена для управления электромеханическими, электромоторными и электромагнитными замками. Суть бесключевого доступа заключается в обеспечении возможности открытия двери за счёт касания человека к токопроводящей части ручки двери. Определяя момент касания, система отправляет сигнал на открытие замка. Для реализации дизайнерских решений система снабжена 2-х канальным модулем управления подсветкой на основе светодиодной RGB ленты, что, к примеру, позволяет организовать подсветку ручки и контура двери.
Требования по монтажу
Для надежной работы системы необходимо обеспечить надѐжный электрический контакт провода от системы к дверной ручке (далее – ручке). Ручка при этом должна быть гальванически развязана (к примеру, установлена через изолятор) с металлическим полотном двери и другими проводами. При этом провод общего потенциала источника питания системы обязательно должен иметь электрический контакт с металлическим полотном двери.
Ручка должна быть выполнена из токопроводящего материала (металла) или иметь токопроводящее покрытие (металлизация). На ручке допускается внешняя изоляция (внешнее покрытие из токонепроводящего материала) толщиной не более 0,5 мм. При монтаже системы в дверное полотно требуется размещение провода от двери до системы таким образом, чтобы в процессе эксплуатации двери не происходило его смещение. Для крепления системы рекомендуется использовать крепежные элементы корпуса.
Технические характеристики
Температурный диапазон эксплуатации -20…+50 ℃
Степень защиты от воздействия окружающей среды IP20
Относительная влажность не более 60%
Питание системы
Сечение провода не менее 0,12 мм2
Напряжение питания(постоянный ток) 9…36 В
Максимальный потребляемый ток 200 мА
Требования к ручке
Общая площадь ручки не более 0,5 м2
Длина провода до ручки не более 2 м
Требования к замку
Максимальное напряжение 50 В
Максимальный ток 2 А
Требования к светодиодной ленте
Сечение провода не менее 0,35 мм2
Максимальное напряжение 40 В
Максимальный ток 2 А
Рекомендуемый предохранитель в цепи питания 3 А
